星空电子

WOER (002130): 0 0 (0%)

HPL300系列单芯300A带高压互锁连接器

应用领域:

主要应用在电动、混合动力汽车高压配电箱、车载充电机电池包、电机、电控等辅助设备连接上。

下载手册

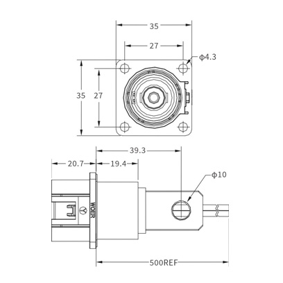
弯头尾部可正反转向90°,使用过程中能够很好的方便布线。在紧凑的空间内,增加了高压互锁设计,能够在插合过程中很好的保护作用。

该系列连接器是设计于电动车、混合动力市场的大电流传输的连接器,可压接35至70平方线,电流载流范围为150~250A,主要应用在电动、混合动力汽车高压配电箱、车载充电机电池包、电机、电控等辅助设备连接上。


1、电气特性

■ 额定电2000V DC

■ 额定电流(工作环境温度30℃):

                    150A(适配电缆35mm²)

       200A(适配电缆50mm²)   

                    250A(适配电缆70mm²)

■ 绝缘电阻:2000MΩ(常态)

■ 耐  压:3000V AC

2、其他参数

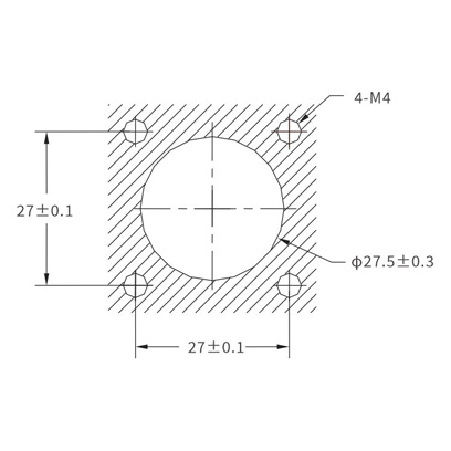
■ 防护等级:IP67

■ 环境温度:-40+125

   ■ 连接器芯数:单芯

■ 配线规格:3070mm²电缆

■ 机械寿命≥200

3、材料及表面处理

■ 壳体材料:锌合金 铝合⾦

■ 壳体表面处理:镀镍或其他

■ 密封体材料:PA66

■ 阻燃等级:Ul94 V-0

■ 插针及插孔材料:铜合金

■ 表面处理镀银

■ 密封体硅橡胶



直头插头型号明细

序号订货型号产品描述适配线缆规格
1

HPL18*-301-35

直头*键位带高压互锁插头

35mm²屏蔽线

2

HPL18*-301-50

直头*键位带高压互锁插头

50mm²屏蔽线

3

HPL18*-301-70

直头*键位带高压互锁插头

70mm²屏蔽线

4

HPL18*-300-35

直头*键位不带高压互锁插头

35mm²屏蔽线

5

HPL18*-300-50

直头*键位不带高压互锁插头

50mm²屏蔽线

6HPL18*-300-70直头*键位不带高压互锁插头70mm²屏蔽线

说明:“*”代表键位,有X、Y、W三种键位选择。

弯头插头型号明细

序号订货型号产品描述适配线缆规格
1

HPL28*-301-35

弯头*键位带高压互锁插头

35mm²屏蔽线

2

HPL28*-301-50

弯头*键位带高压互锁插头

50mm²屏蔽线

3

HPL28*-301-70

弯头*键位带高压互锁插头

70mm²屏蔽线

4

HPL28*-300-35

弯头*键位不带高压互锁插头

35mm²屏蔽线

5

HPL28*-300-50

弯头*键位不带高压互锁插头

50mm²屏蔽线

6HPL28*-300-70弯头*键位不带高压互锁插头70mm²屏蔽线

说明:“*”代表键位,有X、Y、W三种键位选择。

插座型号明细

序号订货型号产品描述适配线缆规格
1

HPL00*-301-10M10

带高压互锁*键位M10螺纹插座

M10

2

HPL00*-301-10M8

带高压互锁*键位M8螺纹插座

M8

3

HPL00*-301-10D10

带高压互锁*键位D10通孔插座

D10

4

HPL00*-301-10D8

带高压互锁*键位D8通孔插座

D8

5

HPL00*-300-10M10

无高压互锁*键位M10螺纹插座

M10

6HPL00*-300-10M8

无高压互锁*键位M8螺纹插座

M8
7HPL00*-300-10D10

无高压互锁*键位D10通孔插座

D10
8HPL00*-300-10D8无高压互锁*键位D8通孔插座D8

说明:“*”代表键位,有X、Y、W三种键位选择。

选型说明

产品代码  HPL
18  18-直式插头     28-弯式插头
X  防误插键位:X-X键位   橙色     Y-Y键位   黑色     W-W键位   红色
301  高压互锁:HVIL   300   不带高压互锁     301   带高压互锁
50  接线规格:35-适配35平方线缆     50-适配50平方线缆     70-适配70平方线缆 

产品代码  HPL
00  00-插座
X  防误插键位:X-X键位   橙色     Y-Y键位   黑色     W-W键位   红色
301  高压互锁:HVIL   300   不带高压互锁     301   带高压互锁
10D  孔种类:10D-通孔     10M-螺纹孔
10

  孔/螺纹规格:8-φ8通孔/M8螺纹孔     10-φ10通孔/M10螺纹孔


返回
Tel: 86 755-28299160