星空电子

WOER (002130): 0 0 (0%)

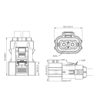
HV600系列带高压互锁连接器

应用领域:

用于电动车、混合动力汽车市场的塑胶外壳高压互锁连接器,能满足动力电池、电机控制器、PDU等多种高压大电流的连接需求。

下载手册

该产品为塑胶高压连接器,结构紧凑,两级解锁。可接多种电缆,有多种防误插键位,带高压互锁,有防手指触电设计,360°屏蔽。

本产品是一款用于电动车、混合动力汽车市场的塑胶外壳高压互锁连接器,能满足动力电池、电机控制器、PDU等多种高压大电流的连接需求。




1、电气特性

■ 额定电压:1000V DC

■ 额定电流(工作环境温度30℃): 

                      60A (适配电缆10mm²)

                      80A(适配电缆16mm²)        

                     120A(适配电缆25mm²)

        150A(适配电缆35mm²)

■ 绝缘电阻:2000MΩ(常态)

■ 耐  压:3000V AC

2、其他参数

■防护等级:IP67

■环境温度:-40+125

■连接器芯数:

■配线规格:1035mm²

■电磁屏蔽:360°屏蔽

机械寿命:≥200

3、材料及表面处理

■壳体材料:PA66

■阻燃等级:UL94 V-0

插针及插孔材料:铜合金

■表面处理:镀银

密封体:硅橡胶


HV600两芯

序号

订货型号产品描述适配线缆规格
1

HV60002*HC10

插座/接10mm²非屏蔽线/带高压互锁

10mm²非屏蔽线

2

HV60002*NC10

插座/接10mm²非屏蔽线/不带高压互锁

10mm²非屏蔽线

3

HV60002*HC16

插座/接16mm²非屏蔽线/带高压互锁

16mm²非屏蔽线

4

HV60002*NC16

插座/接16mm²非屏蔽线/不带高压互锁

16mm²非屏蔽线

5

HV60002*HC25

插座/接25mm²非屏蔽线/带高压互锁

25mm²非屏蔽线

6

HV60002*NC25

插座/接25mm²非屏蔽线/不带高压互锁

25mm²非屏蔽线

7

HV60002*HH

插座/接铜排/带高压互锁

接铜排

8

HV60002*NH

插座/接铜排/不带高压互锁

接铜排

9

HV60062*HC10

插头/接10mm²屏蔽线/带高压互锁

10mm²屏蔽线

10

HV60062*NC10

插头/接10mm²屏蔽线/不带高压互锁

10mm²屏蔽线

11

HV60062*HC16

插头/接16mm²屏蔽线/带高压互锁

16mm²屏蔽线

12

HV60062*NC16

插头/接16mm²屏蔽线/不带高压互锁

16mm²屏蔽线

13

HV60062*HC25

插头/接25mm²屏蔽线/带高压互锁

25mm²屏蔽线

14

HV60062*NC25

插头/接25mm²屏蔽线/不带高压互锁

25mm²屏蔽线

15

HV60062*HC35

插头/接35mm²屏蔽线/带高压互锁

35mm²屏蔽线

16HV60062*NC35插头/接35mm²屏蔽线/不带高压互锁35mm²屏蔽线
选型说明

选型系列  HV600
0  0-法兰盘安装插座(配插针)      6-直头插头(配插孔)
2  芯数 :2-两芯
A  防误插键位:A-A键位    B-B键位    D-D键位
H  高压互锁:H-带高压互锁    N-不带高压互锁
C25

  H-铜排扁平孔锁紧端子(仅限插座)

  C*-压接线缆端子             *代表适配线缆规格            

  C10-适配10平方线缆        C16-适配16平方线缆        

  C25-适配25平方线缆        C35-适配35平方线缆

N

  仅限插头   空缺:屏蔽线      N:非屏蔽线 

  仅限插座   空缺:带定位柱   N:无定位柱


返回
Tel: 86 755-28299160