星空电子

WOER (002130): 0 0 (0%)

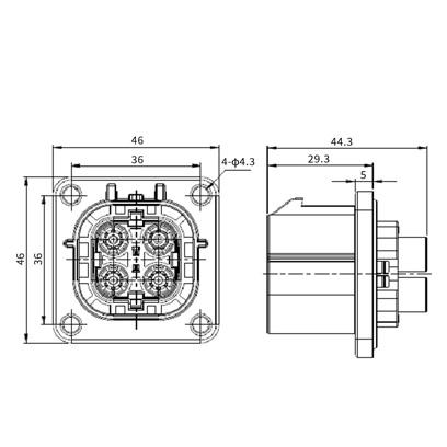
HV360系列带高压互锁连接器

应用领域:

主要应用于电动汽车多合一上,连接空调,PTC等设备

下载手册

该产品为塑胶外壳连接器,具有体积小,重量轻,便于安装,可靠性高,可在多合一上替代两个两芯接口,节省成本。   

HV360系列主要应用于电动汽车多合一上,连接空调,PTC等设备。

1、电气特性

■ 额定电:800V DC

■ 额定电流(工作环境温度30℃): 

                       20A(适配电缆2.5mm²)

        25A(适配电缆4mm²)          

                       400A(适配电缆35mm²)

■ 绝缘电阻:2000MΩ

■ 耐  压:2750V AC

2、其他参数

■防护等级:IP67

■环境温度:-40+125

■连接器芯数:四

■配线规格:2.56mm²

■电磁屏蔽:360°屏蔽

机械寿命:≥200

3、材料及表面处理

■壳体材料:PA66+GF25

■阻燃等级:UL94 V-0

插针及插孔材料:铜合金

■表面处理:镀银

■密封体:硅橡胶


插头型号明细

序号订货型号产品描述适配线缆规格
1HV36064AH02插头A键位 带高压互锁插头2.5mm²屏蔽线
2HV36064AH04插头A键位 带高压互锁插头4.0mm²屏蔽线
3HV36064AH06插头A键位 带高压互锁插头6.0mm²屏蔽线

插座型号明细

序号订货型号产品描述适配线缆规格
1HV36004AH02插座A键位 带高压互锁插座2.5mm²非屏蔽线
2HV36004AH04插座A键位 带高压互锁插座4.0mm²非屏蔽线
3HV36004AH06插座A键位 带高压互锁插座6.0mm²非屏蔽线
选型说明

产品系列HV360
6464-四芯插头   04-四芯插座
A键位(Key):A、B、C、D(目前只有A键位可选)
H高压互锁:H-带高压互锁   N-不带高压互锁
02接线规格:02-2.5mm²   04-4.0mm²   06-6.0mm²


返回
Tel: 86 755-28299160